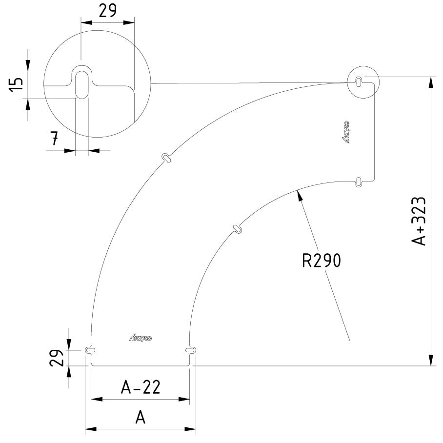
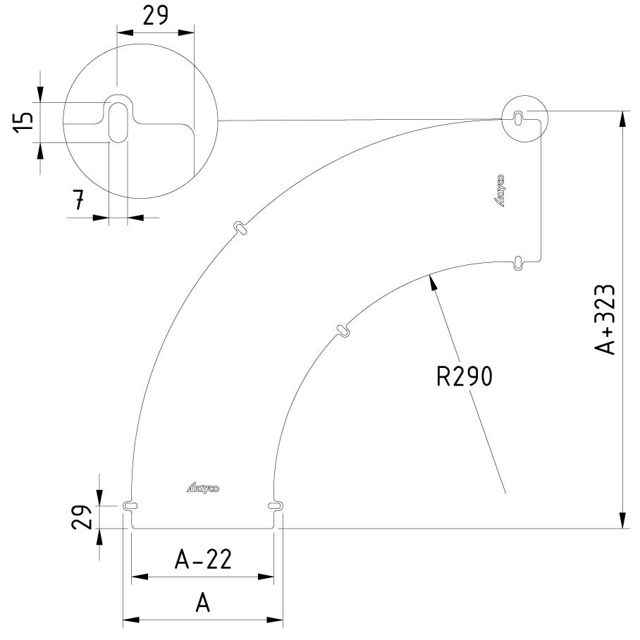
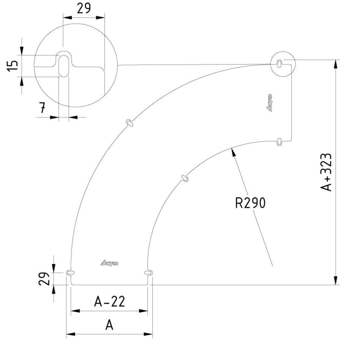
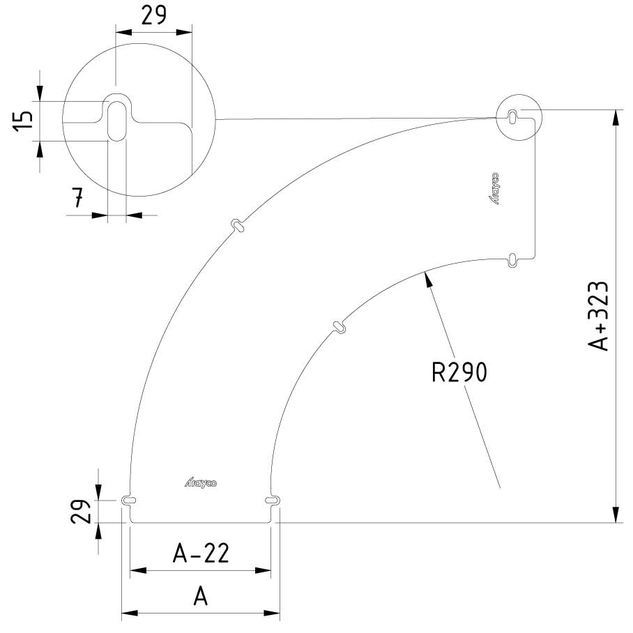
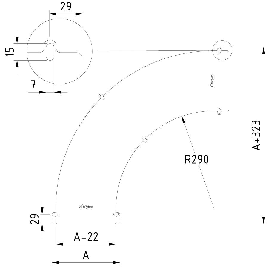
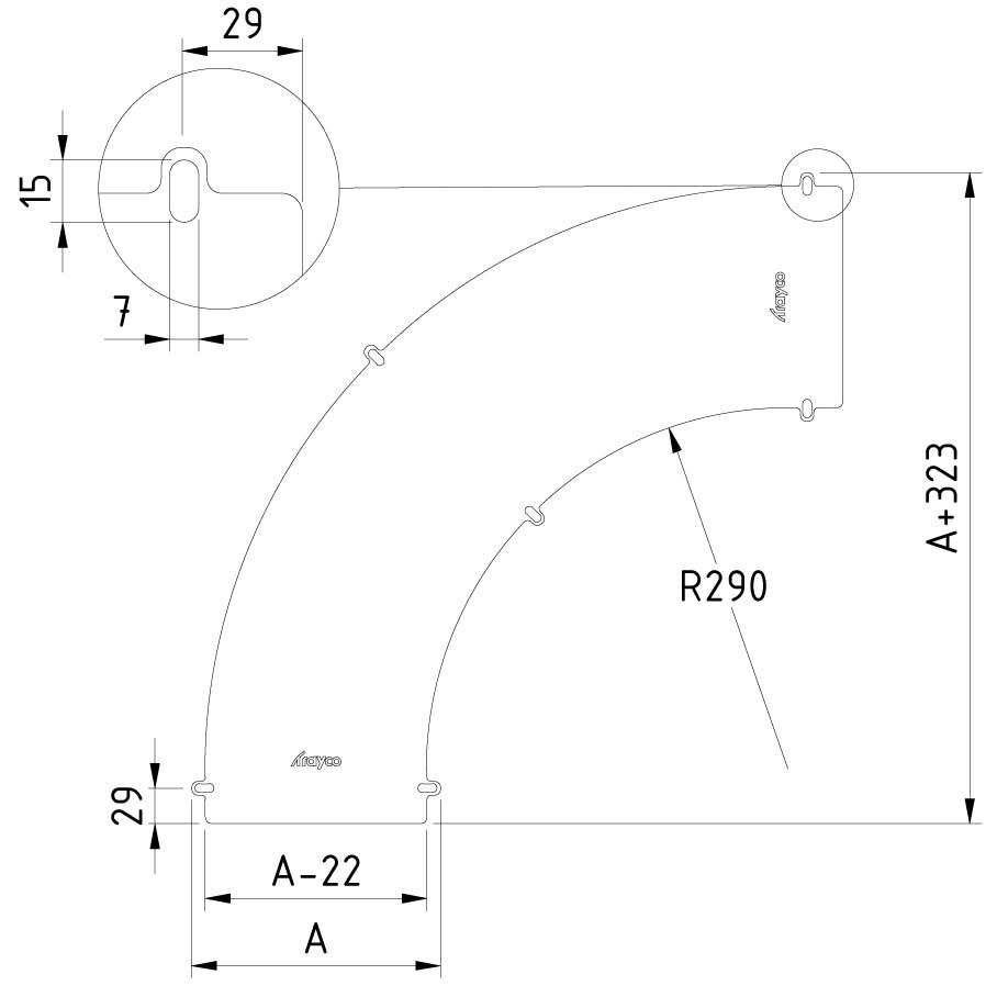
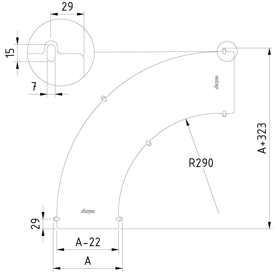
Deckel Bogen

CLF-CB90

Verbinden mit BN06-10
Auch in Edelstahlausführung erhältlich
Polyester- und Duplexbeschichtung verfügbar auf Anfrage. Bestätigung RAL Farbe auf Ihrer Bestellung
Breite 800 und 1000 auf Anfrage

SKU Artikelcode Ausführung maß A Verpackung
17530
CLF-CB90-0200-UG
UG
200
1
Standard
EAN
5415129073265

Montage

Arbeitsbelastung

Norm
IEC61537
Sichere Arbeitsbelastung
-
Max. Drehmoment
-

Weitere Informationen

Produktmerkmale
Verbinden mit BN06-10
Auch in Edelstahlausführung erhältlich
Polyester- und Duplexbeschichtung verfügbar auf Anfrage. Bestätigung RAL Farbe auf Ihrer Bestellung
Breite 800 und 1000 auf Anfrage
Äquipotentialverbindung
IEC61537
EG-Konformitätserklärung
Wir erklären, dass unsere Produkte konform sind mit:
- den Regeln der wesentlichen Anforderungen der EG-Richtlinie: 2014/35/EU (Niederspannung)
- den geltenden nationalen Normen und technischen Spezifikationen: CEI IEC 61537

Technische Dokumentation ist beim Hersteller erhältlich.

(Vorausgesetzt, dass die Produkte bestimmungsgemäß und/oder in Übereinstimmung mit den aktuellen Installationsnormen und/oder den Empfehlungen des Herstellers verwendet werden.)

Ausführung

ULTRA GALVA (UG)

UG ist eine hochleistungsfähige Metallbeschichtung, die einen optimalen Oberflächenschutz in einer Vielzahl von aggressiven und anspruchsvollen Umgebungen im Innen- und Außenbereich bietet. Die einzigartige Legierung geringer Mengen an Magnesium und/oder Aluminium im Zinkbad bietet einen ULTRA Schutz mit selbstheilender Wirkung. Während Zink für den kathodischen Schutz unerlässlich ist, verhindert Magnesium Rotrost. Die darüberliegende Passivierungsschicht bildet eine Versiegelung, die die ersten Spuren von Weißrost verlangsamt.
ULTRA GALVA bietet eine Reihe an Vorteilen gegenüber der traditionellen Hot-Dip-Veredelung.
- Die Passivierungsschicht bietet ein erstklassiges Schutzniveau. Daher ist ULTRA GALVA, da es kathodisch ist, bei Kratzern, Kanten oder Perforationen selbstheilend. Im Vergleich zum Hot Dip bleiben die Produkte sehr gerade, es treten keine Durchbiegungen oder Flux oder Asche auf.
- ULTRA GALVA kann aufgrund der perfekten Haftung der Beschichtung auf dem Metall bequem ohne Risiko auf Flocken kalt verarbeitet werden.
- Es ergeben sich keine Zinkstifte, was eine schnelle Installation von Kabeln ermöglicht, so dass das Risiko von Kabelschäden oder Verletzungen von Arbeitern vermieden wird.
- Aufgrund der längeren Lebensdauer erfordert ULTRA GALVA weder eine laufende Wartung noch Nachlackierarbeiten.
- Im Vergleich zum Hot-Dip-Finishing wird dreimal weniger Zink verwendet. Es gibt daher eine geringere Auswirkung auf natürliche Ressourcen sowie eine geringere Umweltverschmutzung. Darüber hinaus verursacht der Produktionsprozess weniger CO2-Emissionen und ULTRA GALVA ist zu 100% recyclebar.
ULTRA GALVA bildet daher eine wertvolle umweltfreundliche Alternative zum traditionellen Edelstahl oder Tauchfeuerverzinkung !
17531
CLF-CB90-0300-UG
UG
300
1
Standard
EAN
5415129073272

Montage

Arbeitsbelastung

Norm
IEC61537
Sichere Arbeitsbelastung
-
Max. Drehmoment
-

Weitere Informationen

Produktmerkmale
Verbinden mit BN06-10
Auch in Edelstahlausführung erhältlich
Polyester- und Duplexbeschichtung verfügbar auf Anfrage. Bestätigung RAL Farbe auf Ihrer Bestellung
Breite 800 und 1000 auf Anfrage
Äquipotentialverbindung
IEC61537
EG-Konformitätserklärung
Wir erklären, dass unsere Produkte konform sind mit:
- den Regeln der wesentlichen Anforderungen der EG-Richtlinie: 2014/35/EU (Niederspannung)
- den geltenden nationalen Normen und technischen Spezifikationen: CEI IEC 61537

Technische Dokumentation ist beim Hersteller erhältlich.

(Vorausgesetzt, dass die Produkte bestimmungsgemäß und/oder in Übereinstimmung mit den aktuellen Installationsnormen und/oder den Empfehlungen des Herstellers verwendet werden.)

Ausführung

ULTRA GALVA (UG)

UG ist eine hochleistungsfähige Metallbeschichtung, die einen optimalen Oberflächenschutz in einer Vielzahl von aggressiven und anspruchsvollen Umgebungen im Innen- und Außenbereich bietet. Die einzigartige Legierung geringer Mengen an Magnesium und/oder Aluminium im Zinkbad bietet einen ULTRA Schutz mit selbstheilender Wirkung. Während Zink für den kathodischen Schutz unerlässlich ist, verhindert Magnesium Rotrost. Die darüberliegende Passivierungsschicht bildet eine Versiegelung, die die ersten Spuren von Weißrost verlangsamt.
ULTRA GALVA bietet eine Reihe an Vorteilen gegenüber der traditionellen Hot-Dip-Veredelung.
- Die Passivierungsschicht bietet ein erstklassiges Schutzniveau. Daher ist ULTRA GALVA, da es kathodisch ist, bei Kratzern, Kanten oder Perforationen selbstheilend. Im Vergleich zum Hot Dip bleiben die Produkte sehr gerade, es treten keine Durchbiegungen oder Flux oder Asche auf.
- ULTRA GALVA kann aufgrund der perfekten Haftung der Beschichtung auf dem Metall bequem ohne Risiko auf Flocken kalt verarbeitet werden.
- Es ergeben sich keine Zinkstifte, was eine schnelle Installation von Kabeln ermöglicht, so dass das Risiko von Kabelschäden oder Verletzungen von Arbeitern vermieden wird.
- Aufgrund der längeren Lebensdauer erfordert ULTRA GALVA weder eine laufende Wartung noch Nachlackierarbeiten.
- Im Vergleich zum Hot-Dip-Finishing wird dreimal weniger Zink verwendet. Es gibt daher eine geringere Auswirkung auf natürliche Ressourcen sowie eine geringere Umweltverschmutzung. Darüber hinaus verursacht der Produktionsprozess weniger CO2-Emissionen und ULTRA GALVA ist zu 100% recyclebar.
ULTRA GALVA bildet daher eine wertvolle umweltfreundliche Alternative zum traditionellen Edelstahl oder Tauchfeuerverzinkung !
17532
CLF-CB90-0400-UG
UG
400
1
Standard
EAN
5415129073289

Montage

Arbeitsbelastung

Norm
IEC61537
Sichere Arbeitsbelastung
-
Max. Drehmoment
-

Weitere Informationen

Produktmerkmale
Verbinden mit BN06-10
Auch in Edelstahlausführung erhältlich
Polyester- und Duplexbeschichtung verfügbar auf Anfrage. Bestätigung RAL Farbe auf Ihrer Bestellung
Breite 800 und 1000 auf Anfrage
Äquipotentialverbindung
IEC61537
EG-Konformitätserklärung
Wir erklären, dass unsere Produkte konform sind mit:
- den Regeln der wesentlichen Anforderungen der EG-Richtlinie: 2014/35/EU (Niederspannung)
- den geltenden nationalen Normen und technischen Spezifikationen: CEI IEC 61537

Technische Dokumentation ist beim Hersteller erhältlich.

(Vorausgesetzt, dass die Produkte bestimmungsgemäß und/oder in Übereinstimmung mit den aktuellen Installationsnormen und/oder den Empfehlungen des Herstellers verwendet werden.)

Ausführung

ULTRA GALVA (UG)

UG ist eine hochleistungsfähige Metallbeschichtung, die einen optimalen Oberflächenschutz in einer Vielzahl von aggressiven und anspruchsvollen Umgebungen im Innen- und Außenbereich bietet. Die einzigartige Legierung geringer Mengen an Magnesium und/oder Aluminium im Zinkbad bietet einen ULTRA Schutz mit selbstheilender Wirkung. Während Zink für den kathodischen Schutz unerlässlich ist, verhindert Magnesium Rotrost. Die darüberliegende Passivierungsschicht bildet eine Versiegelung, die die ersten Spuren von Weißrost verlangsamt.
ULTRA GALVA bietet eine Reihe an Vorteilen gegenüber der traditionellen Hot-Dip-Veredelung.
- Die Passivierungsschicht bietet ein erstklassiges Schutzniveau. Daher ist ULTRA GALVA, da es kathodisch ist, bei Kratzern, Kanten oder Perforationen selbstheilend. Im Vergleich zum Hot Dip bleiben die Produkte sehr gerade, es treten keine Durchbiegungen oder Flux oder Asche auf.
- ULTRA GALVA kann aufgrund der perfekten Haftung der Beschichtung auf dem Metall bequem ohne Risiko auf Flocken kalt verarbeitet werden.
- Es ergeben sich keine Zinkstifte, was eine schnelle Installation von Kabeln ermöglicht, so dass das Risiko von Kabelschäden oder Verletzungen von Arbeitern vermieden wird.
- Aufgrund der längeren Lebensdauer erfordert ULTRA GALVA weder eine laufende Wartung noch Nachlackierarbeiten.
- Im Vergleich zum Hot-Dip-Finishing wird dreimal weniger Zink verwendet. Es gibt daher eine geringere Auswirkung auf natürliche Ressourcen sowie eine geringere Umweltverschmutzung. Darüber hinaus verursacht der Produktionsprozess weniger CO2-Emissionen und ULTRA GALVA ist zu 100% recyclebar.
ULTRA GALVA bildet daher eine wertvolle umweltfreundliche Alternative zum traditionellen Edelstahl oder Tauchfeuerverzinkung !
17533
CLF-CB90-0500-UG
UG
500
1
Standard
EAN
5415129073296

Montage

Arbeitsbelastung

Norm
IEC61537
Sichere Arbeitsbelastung
-
Max. Drehmoment
-

Weitere Informationen

Produktmerkmale
Verbinden mit BN06-10
Auch in Edelstahlausführung erhältlich
Polyester- und Duplexbeschichtung verfügbar auf Anfrage. Bestätigung RAL Farbe auf Ihrer Bestellung
Breite 800 und 1000 auf Anfrage
Äquipotentialverbindung
IEC61537
EG-Konformitätserklärung
Wir erklären, dass unsere Produkte konform sind mit:
- den Regeln der wesentlichen Anforderungen der EG-Richtlinie: 2014/35/EU (Niederspannung)
- den geltenden nationalen Normen und technischen Spezifikationen: CEI IEC 61537

Technische Dokumentation ist beim Hersteller erhältlich.

(Vorausgesetzt, dass die Produkte bestimmungsgemäß und/oder in Übereinstimmung mit den aktuellen Installationsnormen und/oder den Empfehlungen des Herstellers verwendet werden.)

Ausführung

ULTRA GALVA (UG)

UG ist eine hochleistungsfähige Metallbeschichtung, die einen optimalen Oberflächenschutz in einer Vielzahl von aggressiven und anspruchsvollen Umgebungen im Innen- und Außenbereich bietet. Die einzigartige Legierung geringer Mengen an Magnesium und/oder Aluminium im Zinkbad bietet einen ULTRA Schutz mit selbstheilender Wirkung. Während Zink für den kathodischen Schutz unerlässlich ist, verhindert Magnesium Rotrost. Die darüberliegende Passivierungsschicht bildet eine Versiegelung, die die ersten Spuren von Weißrost verlangsamt.
ULTRA GALVA bietet eine Reihe an Vorteilen gegenüber der traditionellen Hot-Dip-Veredelung.
- Die Passivierungsschicht bietet ein erstklassiges Schutzniveau. Daher ist ULTRA GALVA, da es kathodisch ist, bei Kratzern, Kanten oder Perforationen selbstheilend. Im Vergleich zum Hot Dip bleiben die Produkte sehr gerade, es treten keine Durchbiegungen oder Flux oder Asche auf.
- ULTRA GALVA kann aufgrund der perfekten Haftung der Beschichtung auf dem Metall bequem ohne Risiko auf Flocken kalt verarbeitet werden.
- Es ergeben sich keine Zinkstifte, was eine schnelle Installation von Kabeln ermöglicht, so dass das Risiko von Kabelschäden oder Verletzungen von Arbeitern vermieden wird.
- Aufgrund der längeren Lebensdauer erfordert ULTRA GALVA weder eine laufende Wartung noch Nachlackierarbeiten.
- Im Vergleich zum Hot-Dip-Finishing wird dreimal weniger Zink verwendet. Es gibt daher eine geringere Auswirkung auf natürliche Ressourcen sowie eine geringere Umweltverschmutzung. Darüber hinaus verursacht der Produktionsprozess weniger CO2-Emissionen und ULTRA GALVA ist zu 100% recyclebar.
ULTRA GALVA bildet daher eine wertvolle umweltfreundliche Alternative zum traditionellen Edelstahl oder Tauchfeuerverzinkung !
17534
CLF-CB90-0600-UG
UG
600
1
Standard
EAN
5415129073302

Montage

Arbeitsbelastung

Norm
IEC61537
Sichere Arbeitsbelastung
-
Max. Drehmoment
-

Weitere Informationen

Produktmerkmale
Verbinden mit BN06-10
Auch in Edelstahlausführung erhältlich
Polyester- und Duplexbeschichtung verfügbar auf Anfrage. Bestätigung RAL Farbe auf Ihrer Bestellung
Breite 800 und 1000 auf Anfrage
Äquipotentialverbindung
IEC61537
EG-Konformitätserklärung
Wir erklären, dass unsere Produkte konform sind mit:
- den Regeln der wesentlichen Anforderungen der EG-Richtlinie: 2014/35/EU (Niederspannung)
- den geltenden nationalen Normen und technischen Spezifikationen: CEI IEC 61537

Technische Dokumentation ist beim Hersteller erhältlich.

(Vorausgesetzt, dass die Produkte bestimmungsgemäß und/oder in Übereinstimmung mit den aktuellen Installationsnormen und/oder den Empfehlungen des Herstellers verwendet werden.)

Ausführung

ULTRA GALVA (UG)

UG ist eine hochleistungsfähige Metallbeschichtung, die einen optimalen Oberflächenschutz in einer Vielzahl von aggressiven und anspruchsvollen Umgebungen im Innen- und Außenbereich bietet. Die einzigartige Legierung geringer Mengen an Magnesium und/oder Aluminium im Zinkbad bietet einen ULTRA Schutz mit selbstheilender Wirkung. Während Zink für den kathodischen Schutz unerlässlich ist, verhindert Magnesium Rotrost. Die darüberliegende Passivierungsschicht bildet eine Versiegelung, die die ersten Spuren von Weißrost verlangsamt.
ULTRA GALVA bietet eine Reihe an Vorteilen gegenüber der traditionellen Hot-Dip-Veredelung.
- Die Passivierungsschicht bietet ein erstklassiges Schutzniveau. Daher ist ULTRA GALVA, da es kathodisch ist, bei Kratzern, Kanten oder Perforationen selbstheilend. Im Vergleich zum Hot Dip bleiben die Produkte sehr gerade, es treten keine Durchbiegungen oder Flux oder Asche auf.
- ULTRA GALVA kann aufgrund der perfekten Haftung der Beschichtung auf dem Metall bequem ohne Risiko auf Flocken kalt verarbeitet werden.
- Es ergeben sich keine Zinkstifte, was eine schnelle Installation von Kabeln ermöglicht, so dass das Risiko von Kabelschäden oder Verletzungen von Arbeitern vermieden wird.
- Aufgrund der längeren Lebensdauer erfordert ULTRA GALVA weder eine laufende Wartung noch Nachlackierarbeiten.
- Im Vergleich zum Hot-Dip-Finishing wird dreimal weniger Zink verwendet. Es gibt daher eine geringere Auswirkung auf natürliche Ressourcen sowie eine geringere Umweltverschmutzung. Darüber hinaus verursacht der Produktionsprozess weniger CO2-Emissionen und ULTRA GALVA ist zu 100% recyclebar.
ULTRA GALVA bildet daher eine wertvolle umweltfreundliche Alternative zum traditionellen Edelstahl oder Tauchfeuerverzinkung !

Montage